Intellilink IOU!

Achteruitrijcamera plaatsen UVC

Het is mogelijk om een achteruitrijcamera te plaatsen op dit type radio"IOU"

picture of opel's infotainment

Gebruik 2 pinnen om op plaats 14 en 15 te steken (19354361).

pictue of connector

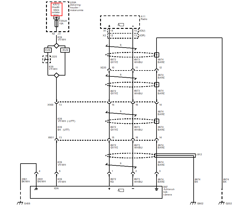
Wiring rearcamera

De programmering gebeurt via sps, kies radio vervolgens via programmeren optie UVC toevoegen daarna voltooien met configuratie en instelling.

Homepage